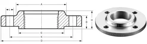
Threaded Flanges
Standard: ASNI/ASTMB16.5 / 16.36/16.47A/16.47B B2220 – 2001, DIN2527/2636/2637/2638/2566/2576/2633/2635/2642/2653/2655.
Pressure Rate: 150LBS to 2500LBS / PN10 to PN400
Dimension: 1/2" to 48"
Material: Carbon steel, Alloy Steel, Stainless steel.
Thread type: NP / BSP
Threaded Flanges: High-Pressure Connection Solutions for Piping Systems
(ASME B16.5/B16.47, DIN, JIS, EN Standards)
Trusted by engineers & procurement teams worldwide – leak-proof threaded connections for oil/gas, chemical, and industrial applications.

Pressure rating:
class 150LBS、300LBS、400LBS、600LBS、900LBS、1500LBS、2500LBS
Dimensions:
ANSI B16.5, ANSI B16.47, MSS SP44, ANSI B16.36, ANSI B16.48, API 605, AWWA AND DRAWING
Material:
· CS
Standard: ASTM / ASME A/SA 105 / 350 LF 2
· SS
Standards: ASTM / ASME A/SA 182
Steel Grade: F 304, 304L, 304H, 309S, 309H, 310S, 310H, 316, 316TI, 316H, 316L, 316LN, 317, 317L, 321, 321H, 347, 347H, 904L.
· AS
Standard: ASTM / ASME A/SA 182
ASTM A182 F1, F11, F12, F22, F5, F9, F91.
· Nickel Alloy
Standard: ASTM / ASME SB 564 / 160 / 472
Grade: UNS 2200 (NICKEL 200), UNS 4400 (MONEL 400), UNS 8825 INCONEL (825), UNS 6600 (INCONEL 600), UNS 6601 (INCONEL 601), UNS 6625 (INCONEL 625), UNS 10276 (HASTELLOY C 276), UNS 2201 (NICKEL 201), (ALLOY 20 / 20 CB 3)
Why Choose Our Threaded Flanges?
✅ Zero-Weld Installation – Screw directly onto pipes for fast maintenance
✅ 300+ Material Grades – Carbon steel, stainless (304/316), alloy, duplex
✅ Pressure Ratings: 150# to 2500# (Class 150 to Class 2500)
✅ Customization – Non-standard sizes, coatings (PTFE, galvanized)
Threaded Flange Types & Applications
| Type | Best For | Advantages | 
|---|---|---|
| Screwed | Low-pressure systems (≤300 psi) | No welding, easy disassembly | 
| Counterbore | Viscous fluids (oil, slurry) | Prevents clogging at thread joints | 
| Lap Joint | Frequent inspection systems | Rotatable flange for alignment | 
| Reducing | Pipe diameter changes | Saves adapter fittings | 
DIY Tip: Use thread sealant (Teflon tape) for water/gas lines to prevent leaks.
Technical Specifications
Dimensional Standards
- 
	
ASME B16.5: 1/2" to 24" (DN15 to DN600)
 - 
	
EN 1092-1: PN6 to PN100
 - 
	
JIS B2220: 5K to 30K pressure classes
 
Materials & Performance Data
| Material | Temp Range | Corrosion Resistance | Common Uses | 
|---|---|---|---|
| A105 (CS) | -29°C to 425°C | Moderate | Steam, water lines | 
| 316L Stainless | -196°C to 800°C | Excellent (acidic env.) | Chemical plants | 
| Duplex 2205 | -50°C to 300°C | Extreme (seawater) | Offshore rigs | 
Procurement Note: All flanges come with Threaded Flanges MTC (Mill Test Certificates) per EN 10204 3.1.
Bulk Order Advantages
| Qty (Pcs) | Unit Price | Lead Time | Perks | 
|---|---|---|---|
| 1-50 | $12.50 | 3 days | Free shipping >$500 | 
| 50-200 | $9.80 | 7 days | +5% spare bolts/Nuts | 
| 200+ | $7.20 | 10 days | Dedded QC report | 
Trader/Reseller Program: Email linhui@lhtitanium.com for wholesale catalog.
FAQs
How to prevent threaded flange leaks?
▶ Expert Answer: Use thread sealants (Loctite 577) + torque to ASME PCC-1 standards. Avoid overtightening.
Threaded vs weld-neck flange for high pressure?
▶ Engineering Tip: Weld-neck >2500 psi; Threaded ideal for <1500 psi with vibration risks.
ISO 9001 certified manufacturers?
▶ Our Credentials: View our certification portfolio – audited quarterly for quality compliance.
Why Engineers Trust Us
- 
	
25+ Years in pipeline solutions
 - 
	
CAD Design Support – Send drawings for custom flange verification
 - 
	
Live Tech Chat – Talk to our ASME-certified engineers Mon-Fri 9AM-5PM EST
 
📞 Emergency Threaded Flanges Order?
Tel: +86-29-89506568 (24/7 for project-critical requests).
WA/Mob: +86-17778976690
Email: linhui@lhtitanium.com 
 











 



